
适用范围
城建、化工、冶金、石油、制药、食品、饮料、环保
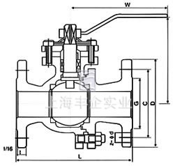
结构


产品性能规范
| 公称压力(PN) | 1.6 | 2.5 | 4.0 | 6.4 | 
| 壳体试验压力 | 2.4 | 3.8 | 6.0 | 9.6 | 
| 密封试验(液) | 1.8 | 25.8 | 4.4 | 7.0 | 
| 密封试验(气) | 0.5~0.7 | |||
| 适用介质 |  C      P     R 水、油品、蒸汽 硝酸类 醋酸类  | 
  |||
| 适用温度 | ≤200 | |||
主要零件材料
| 名称 | WCB类 | CF8类 | CF3类 | CF8M类 | CF3M类 | |
| 阀体左体 | A216-WCB | A315-CFB | A35-CF3 | A351-CF8M | A351-CF3M | |
| 球体 | B2-B8 | A105-1025 | A182-F304L | A182-F304L | A132-F316 | A182-F316L | 
| B8以上 | A216-WCB | A351-CF8M | A351-CF3 | A351-CF8M | A351-CF3M | |
| 阀杆 | A182-F6a | A182-F304 | A182-F304L | A182-F336 | A182-F316L | |
| 阀座 | PTFE/增强PTFE/NYLIN | |||||
| 阀座支承圈 | A105-1025 | A182-F304 | A182-F304L | A182-F316 | A182-F316L | |
| 弹簧 | 3yc-7/17-49H | |||||
| °型圈 | NBR | 氟橡胶 | ||||
| 螺柱 | A193-B7 | A193-B8 | ||||
| 螺母 | A194-2H | A194-8 | ||||
主要连接及重量
| 尺寸 | inch | 1/2″ | 3/4″ | 1″ | 1-1/2″ | 2″ | 2-1/2″ | 3″ | 4″ | 5″ | 6″ | 8″ | 10″ | 
| DN | 15 | 20 | 25 | 4 | 50 | 65 | 80 | 100 | 125 | 150 | 200 | 250 | |
| L | mm | 108 | 117 | 127 | 165 | 178 | 190 | 203 | 229 | 356 | 394 | 457 | 533 | 
| H | mm | 59 | 63 | 75 | 97 | 107 | 142 | 152 | 178 | 252 | 272 | 342 | 345 | 
| W | mm | 130 | 130 | 160 | 230 | 230 | 400 | 400 | 700 | 1100 | 1100 | 1500 | 1500 | 
| 重量 | ㎏ | 2.3 | 3.0 | 4.5 | 7.0 | 9.5 | 15.0 | 19.0 | 33.0 | 58.0 | 93.0 | 160.0 | 200.0 | 
主要连接尺寸及重量
| 尺寸 | inch | 1/2 | 3/4 | 1 | 1-1/2 | 2 | 2-1/2 | 3 | 4 | 5 | 6 | 8 | 10 | 
| DN | 15 | 20 | 25 | 4 | 50 | 65 | 80 | 100 | 125 | 150 | 200 | 250 | |
| L | mm | 140 | 152 | 165 | 190 | 216 | 241 | 283 | 305 | 381 | 403 | 502 | 568 | 
| H | mm | 59 | 63 | 75 | 97 | 107 | 142 | 152 | 178 | 252 | 272 | 342 | 345 | 
| W | mm | 130 | 130 | 160 | 230 | 230 | 400 | 400 | 700 | 1100 | 1100 | 1500 | 1500 | 
| 重量 | ㎏ | 2.5 | 3.5 | 5.5 | 10.5 | 14.5 | 23.5 | 30.0 | 55.0 | 81.0 | 118.0 | 200.0 | 250.0 | 
外形尺寸和连接尺寸
| 公称通径 | 单位 | L | D | T | G | C | n-Φd | W | H | |
| in | mm | |||||||||
| 1/2″ | 15 | ㎜ | 108 | 89 | 12 | 35 | 60.5 | 4-15 | 115 | 72 | 
| in | 4.25 | 3.5 | 0.47 | 1.38 | 2.38 | 4-0.59 | 4.53 | 28.3 | ||
| 3/4″ | 20 | ㎜ | 117 | 98 | 12 | 43 | 70 | 4-15 | 115 | 76 | 
| in | 4.61 | 3.86 | 0.47 | 2 | 3.13 | 4-0.59 | 5.9 | 3.62 | ||
| 1″ | 25 | ㎜ | 127 | 108 | 12 | 51 | 79.5 | 4-15 | 150 | 92 | 
| in | 5 | 4.25 | 0.47 | 2 | 3.13 | 4-0.59 | 5.9 | 3.62 | ||
| 1-1/2″ | 40 | ㎜ | 165 | 127 | 14.3 | 73 | 89.5 | 4-16 | 200 | 123 | 
| in | 6.5 | 5 | 0.56 | 2.88 | 3.88 | 4-0.62 | 7.87 | 4.84 | ||
| 2″ | 50 | ㎜ | 178 | 152 | 15.9 | 92 | 120.5 | 4-19 | 200 | 132 | 
| in | 7 | 6.00 | 0.625 | 3.62 | 4.75 | 4-0.75 | 7.87 | 5.20 | ||
| 2-1/2″ | 65 | ㎜ | 190 | 178 | 17.5 | 105 | 139.5 | 4-19 | 320 | 164 | 
| in | 7.5 | 7 | 0.69 | 1.12 | 5.50 | 4-0.75 | 12.6 | 6.45 | ||
| 3″ | 80 | ㎜ | 203 | 190 | 19.1 | 127 | 152.4 | 4-19 | 320 | 173 | 
| in | 8 | 7.50 | 0.75 | 5 | 6 | 4-0.75 | 12.6 | 8.6 | ||
| 4″ | 100 | ㎜ | 229 | 229 | 23.9 | 157 | 190.5 | 4-19 | 450 | 210 | 
| in | 9 | 9 | 0.94 | 6.19 | 7.5 | 4-0.75 | 17.72 | 8.26 | ||
| 6″ | 150 | ㎜ | 394 | 279 | 26 | 216 | 241.5 | 8-22 | 8000 | 288 | 
| in | 15.5 | 10.98 | 1.02 | 8.5 | 9.50 | 8-0.88 | 31.5 | 1.34 | ||
| 8″ | 200 | ㎜ | 457 | 343 | 29 | 270 | 298.5 | 8-22 | 1120 | 374 | 
| in | 18.00 | 13.50 | 1.12 | 10.62 | 11.75 | 8-0.88 | 44.10 | 14.72 | ||
| 10″ | 250 | ㎜ | 533 | 406 | 31 | 324 | 362 | 12-25 | 1420 | 366 | 
| in | 20.98 | 16 | 1.2 | 12.75 | 14.75 | 12-1 | 55.12 | 14.40 | ||
| 12″ | 300 | ㎜ | 610 | 483 | 32 | 381 | 432 | 12-25 | 1420 | 412 | 
| in | 24 | 19 | 1.26 | 15 | 17 | 12-1 | 55.12 | 16.22 | ||
外形尺寸和连接尺寸
| 公称通径 | 单位 | L | D | T | G | C | n-Φd | W | H | |
| in | mm | |||||||||
| 1/2″ | 15 | ㎜ | 140 | 95 | 15 | 35 | 66.5 | 4-15 | 115 | 72 | 
| in | 5.51 | 3.74 | 0.59 | 1.38 | 2.62 | 4-0.59 | 4.53 | 28.3 | ||
| 3/4″ | 20 | ㎜ | 152 | 117 | 16 | 43 | 82.5 | 4-19 | 115 | 76 | 
| in | 5.98 | 4.61 | 0.62 | 1.69 | 3.25 | 4-0.75 | 4.53 | 29.9 | ||
| 1″ | 25 | ㎜ | 165 | 124 | 18 | 51 | 89 | 4-19 | 150 | 92 | 
| in | 6.5 | 4.9 | 0.71 | 2 | 3.5 | 4-0.75 | 5.9 | 3.62 | ||
| 1-1/2″ | 40 | ㎜ | 190 | 156 | 20.7 | 73 | 114.5 | 4-22 | 200 | 123 | 
| in | 7.5 | 6.12 | 0.81 | 2.88 | 4.51 | 4-0.88 | 7.87 | 4.84 | ||
| 2″ | 50 | ㎜ | 216 | 165 | 22.3 | 92 | 127 | 8-19 | 200 | 132 | 
| in | 8.5 | 6.5 | 0.88 | 3.62 | 5 | 8-0.75 | 7.87 | 5.20 | ||
| 2-1/2″ | 65 | ㎜ | 241 | 190 | 25.4 | 105 | 149 | 8-22 | 320 | 164 | 
| in | 9.5 | 7.5 | 1 | 4.12 | 5.87 | 8-0.88 | 12.6 | 6.45 | ||
| 3″ | 80 | ㎜ | 283 | 210 | 28.5 | 127 | 168.5 | 8-22 | 320 | 173 | 
| in | 11.25 | 8.25 | 1012 | 5 | 6.62 | 8-0.88 | 12.6 | 6.8 | ||
| 4″ | 100 | ㎜ | 305 | 254 | 31.8 | 157 | 200 | 8-22 | 450 | 210 | 
| in | 12 | 10 | 1.25 | 6.19 | 7.88 | 8-0.88 | 17.72 | 8.26 | ||
| 6″ | 150 | ㎜ | 403 | 318 | 36.6 | 216 | 270 | 12-22 | 1120 | 336 | 
| in | 15.875 | 12.5 | 1.44 | 8.5 | 10.62 | 12-0.88 | 44.10 | 13.23 | ||
| 8″ | 200 | ㎜ | 502 | 381 | 42 | 270 | 330 | 12-25 | 1420 | 385 | 
| in | 19.76 | 15 | 16.5 | 10.62 | 12.99 | 12-1 | 55.12 | 15.16 | ||
| 10″ | 250 | ㎜ | 568 | 444 | 48 | 324 | 387.5 | 16-29 | 1420 | 370 | 
| in | 22.36 | 17.50 | 1.89 | 12.75 | 15.25 | 16-1.12 | 55.12 | 14.56 | ||
订购注意事项:
10K/20K日标球阀产品电子样本所涵盖的参数表、性能表、尺寸表、图片、文字描述及球阀产品结构等信息,仅为球阀生产厂家上海丰企10K/20K日标球阀说明书的一部分,供选型参考之用,详细阀门产品说明书、CAD图纸、安装图、尺寸图、阀门重量及详细的工作原理、价格等请来电咨询。