XBD-W型卧式多级消防离心泵(简称:XBD-W卧式消防泵),系新型卧式、单吸多级、分段式结构多级XBD消防泵系列产品,是新开发生产的节能型产品。本产品依据国际标准ISO2858及国家新颁布的GB6245-1998《消防泵性能要求和试验方法》的规范要求,采用先进的水力模型,引进结合卧式多级泵的特点设计制造的专用消防泵。产品具有效率高、汽蚀性能好、振动小、噪音低、运行平稳等优点。 XBD-W卧式消防泵全系列共有5个品种40个规格,其性能范围额定流量为5~40L/s,压力范围为0.18~2.0Mpa,配套功率范围为2.2~180KW,口径范围为ф50~ф150mm。XBD-W型卧式多级消防泵组可供输送不含固体颗粒的清水及物理化学性质类似于水的液体之用。主要用于消防系统增压送水、采暖、浴室、锅炉冷暖水循环增压、空调制冷系统送水及设备配套等场合。

型号意义

主要特点
1、 泵结构紧凑、布置合理、外形美观。
2、 进、出口径相同,便于管路连接。
3、 泵运行平稳、噪音低、寿命长。
4、 密封可靠、无泄漏。
5、 流量和压力可根据需要增减泵级数并结合切割叶轮外径予以满足。
。
用途
XBD-W型系列消防泵适用于消防管路增压送水。供输送清水或物理、化学性质类似于清水的其它液体进行增压之用。使用介质温度不超过80℃,也适用于工业和城市给排水、高层建筑增压送水、园林喷灌、远距离送水、采暖、浴室等冷暖水循环增压及设备配套等。
性能参数
1、 该泵为立式、多级节段式结构,泵进出水法兰处在同一直线上,叶轮采用水力平衡方平衡轴向力。泵下端有一导轴承,轴通过夹壳联轴器与电机轴固定传动,外筒为不锈钢筒。
2、 轴封采用机械密封。
3、 泵由电机驱动,从电机端方向看,泵顺时针方向旋转。
4、 泵出口设有排气阀(气嘴),可保证泵内气体能完全排尽。
5、 叶轮可采用青铜材料,避免长期停机后叶轮与导叶间锈合。
主要部件材料
| 名 称 | 材料 | 标??? 准 | |
| 泵体 | 铸铁 | HT200 | GB9439-88 |
| 球铁 | QT400-18 | GB1348-88 | |
| 中段 | 铸铁 | HT200 | GB9439-88 |
| 球铁 | QT400-18 | GB1348-88 | |
| 叶轮 | 铜合金 | ZcuSn10Zn2 | GB1176-88 |
| 轴 | 不锈钢 | 2Cr13 | GB3077-88 |
| 轴封 | 填料 | 柔性石墨 | |
| 机械密封 | 橡胶波纹管 | 博格曼DIN24960 | |
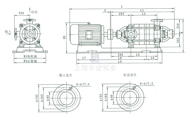
结构说明

结构如图所示,XBD-W型消防泵组为单吸多级节段式离心泵,其吸入口为水平方向,吐出口为垂直向上布置。本系列共有5种口径,用户可根据流量、压力的需要选择不同的口径、不同级数的泵予以满足。 泵由泵体部件和转子部件所组成。泵体部件由进水段、中段、导叶、出水段、尾盖和轴承体等部件组成,转子部件由不锈钢轴、铜合金叶轮、平衡盘和轴套等组成。转子;两端支承在油脂润的滚动轴承上。 进水段、中段和出水段的结合面用纸垫通过拉紧达到密封。为防止水从两端出轴泄漏,设有填料密封,也可采用机械密封,同时在轴上装有橡胶挡水圈、O型橡胶密封圈,以防水进入轴承腔内。 为防止中段和导叶磨损,设有叶轮密封环和导叶套等易损零件,当这些零件磨损到一定程度后,应予以更换。 泵和电动机装在公共底座上,通过弹性联轴器传动。
性能曲线表
| 型号 | 流量 Q | 压力 P | 转速 n | 效率η | 功率 N | 必需气蚀余量rM |
| L/S | Mpa | r/min | % | Kw | ||
| XBD1.8/5-50W | 4 5 6 | 0.20 0.18 0.16 | 1450 | 62 65 66 | 2.2 | 3.2 |
| XBD2.7/5-50W | 4 5 6 | 0.03 0.27 0.24 | 1450 | 62 65 66 | 3 | 3.2 |
| XBD3.6/5-50W | 4 5 6 | 0.40 0.36 0.32 | 1450 | 62 65 66 | 4 | 3.2 |
| XBD4.5/5-50W | 4 5 6 | 0.50 0.45 0.40 | 1450 | 62 65 66 | 5.5 | 3.2 |
| XBD5.4/5-50W | 4 5 6 | 0.60 0.54 0.48 | 1450 | 62 65 66 | 5.5 | 3.2 |
| XBD6.3/5-50W | 4 5 6 | 0.70 0.63 0.56 | 1450 | 62 65 66 | 7.5 | 3.2 |
| XBD7.2/5-50W | 4 5 6 | 0.80 0.72 0.64 | 1450 | 62 65 66 | 7.5 | 3.2 |
| XBD8.1/5-50W | 4 5 6 | 0.90 0.81 0.72 | 1450 | 62 65 66 | 7.5 | 3.2 |
| XBD2.3/10-75W | 8 10 12 | 0.25 0.23 0.20 | 1450 | 63 68 66 | 5.5 | 3.0 |
| XBD3.4/10-75W | 8 10 12 | 0.37 0.34 0.30 | 1450 | 63 68 66 | 7.5 | 3.0 |
| XBD4.6/10-75W | 8 10 12 | 0.50 0.46 0.40 | 1450 | 63 68 66 | 11 | 3.0 |
| XBD5.5/10-75W | 8 10 12 | 0.62 0.55 0.50 | 1450 | 63 68 66 | 11 | 3.0 |
| XBD6.9/10-75W | 8 10 12 | 0.75 0.69 0.60 | 1450 | 63 68 66 | 15 | 3.0 |
| XBD8.0/10-75W | 8 10 12 | 0.87 0.80 0.70 | 1450 | 63 68 66 | 15 | 3.0 |
| XBD9.2/10-75W | 8 10 12 | 1.00 0.92 0.80 | 1450 | 63 68 66 | 18.5 | 3.0 |
| XBD10.3/10-75W | 8 10 12 | 1.12 1.03 0.90 | 1450 | 63 68 66 | 18.5 | 3.0 |
| XBD2.9/20-100W | 15 20 25 | 0.32 0.29 0.26 | 1450 | 68 72 70 | 11 | 3.5 |
| XBD4.3/20-100W | 15 20 25 | 0.48 0.43 0.39 | 1450 | 68 72 70 | 15 | 3.5 |
| XBD5.8/20-100W | 15 20 25 | 0.64 0.58 0.52 | 1450 | 68 72 70 | 22 | 3.5 |
| XBD7.2/20-100W | 15 20 25 | 0.80 0.72 0.65 | 1450 | 68 72 70 | 30 | 3.5 |
| 型号 | 流量 Q L/S | 压力 P | 转速 n | 效率η | 功率 N | 必需气蚀余量rM |
| Mpa | r/min | % | Kw | |||
| XBD8.6/20-100W | 15 20 25 | 0.96 0.86 0.78 | 1450 | 68 72 70 | 30 | 3.5 |
| XBD10.1/20-100W | 15 20 25 | 1.12 1.01 0.91 | 1450 | 68 72 70 | 37 | 3.5 |
| XBD11.5/20-100W | 15 20 25 | 1.28 1.15 1.04 | 1450 | 68 72 70 | 45 | 3.5 |
| XBD13.0/20-100W | 15 20 25 | 1.44 1.30 1.17 | 1450 | 68 72 70 | 45 | 3.5 |
| XBD4.2/25-125W | 20 25 30 | 0.44 0.42 0.38 | 1450 | 69 73 74 | 22 | 3.5 |
| XBD6.3/25-125W | 20 25 30 | 0.66 0.63 0.57 | 1450 | 69 73 74 | 30 | 3.5 |
| XBD8.4/25-125W | 20 25 30 | 0.88 0.84 0.76 | 1450 | 69 73 74 | 45 | 3.5 |
| XBD10.5/25-125W | 20 25 30 | 1.10 1.05 0.95 | 1450 | 69 73 74 | 55 | 3.5 |
| XBD12.6/25-125W | 20 25 30 | 1.32 1.26 1.14 | 1450 | 69 73 74 | 75 | 3.5 |
| XBD14.7/25-125W | 20 25 30 | 1.54 1.47 1.38 | 1450 | 69 73 74 | 75 | 3.5 |
| XBD16.8/25-125W | 20 25 30 | 1.76 1.68 1.52 | 1450 | 69 73 74 | 90 | 3.5 |
| XBD18.9/25-125W | 20 25 30 | 1.98 1.89 1.71 | 1450 | 69 73 74 | 90 | 3.5 |
| XBD5.8/45-150W | 35 45 55 | 0.62 0.58 0.52 | 1450 | 72 76 78 | 45 | 3.0 |
| XBD8.7/45-150W | 35 45 55 | 0.93 0.87 0.78 | 1450 | 72 76 78 | 75 | 3.0 |
| XBD11.6/45-150W | 35 45 55 | 1.24 1.16 1.04 | 1450 | 72 76 78 | 90 | 3.0 |
| XBD14.5/45-150W | 35 45 55 | 1.55 1.45 1.30 | 1450 | 72 76 78 | 110 | 3.0 |
| XBD17.4/45-150W | 35 45 55 | 1.86 1.74 1.56 | 1450 | 72 76 78 | 135 | 3.0 |
XBD1.8~8.1/5-50W型消防泵外形及安装尺寸

| 泵型号 | 级数 n | 外形安装尺寸 | 电动机 | 重量 Kg | ||||||||||||
| L | L1 | L3 | L5 | L6 | L7 | L8 | L9 | H | H3 | B1 | B2 | 型号 | KW | |||
| XBD1.8/5-50W | 2 | 1087 | 707 | 160 | 145 | 33 | 141 | 600 | 901 | 480 | 415 | 335 | 430 | Y100 L1-4 | 2.2 | 158 |
| XBD2.7/5-50W | 3 | 1152 | 772 | 225 | 210 | 98 | 141 | 600 | 901 | 480 | 415 | 335 | 430 | Y100 L2-4 | 3 | 186 |
| XBD3.6/5-50W | 4 | 1237 | 837 | 290 | 275 | 128 | 144 | 640 | 974 | 480 | 423 | 375 | 430 | Y112M-4 | 4 | 222 |
| XBD4.5/5-50W | 5 | 1377 | 902 | 355 | 340 | 132 | 153 | 740 | 1153 | 490 | 463 | 430 | 430 | Y132S-4 | 5.5 | 263 |
| XBD5.4/5-50W | 6 | 1442 | 967 | 420 | 405 | 197 | 153 | 740 | 1153 | 490 | 463 | 430 | 430 | Y132S-4 | 5.5 | 283 |
| XBD6.3/5-50W | 7 | 1547 | 1032 | 485 | 470 | 197 | 156 | 840 | 1321 | 490 | 463 | 430 | 430 | Y132M-4 | 7.5 | 313 |
| XBD7.2/5-50W | 8 | 1612 | 1097 | 550 | 535 | 262 | 156 | 840 | 1321 | 490 | 463 | 430 | 430 | Y132M-4 | 7.5 | 333 |
| XBD8.1/5-50W | 9 | 1677 | 1162 | 615 | 600 | 297 | 166 | 860 | 1386 | 490 | 463 | 430 | 430 | Y132M-4 | 7.5 | 353 |
XBD2.3~10.3/10-75W型消防泵外形及安装尺寸

| 泵型号 | 级数 n | 外形安装尺寸 | 电动机 | 重量 Kg | ||||||||||||
| L | L1 | L3 | L5 | L6 | L7 | L8 | L9 | H | H3 | B1 | B2 | 型号 | KW | |||
| XBD2.3/10-75W | 2 | 1241 | 766 | 257 | 180 | 89 | 145 | 630 | 926 | 535 | 468 | 410 | 475 | Y132S-4 | 5.5 | 249 |
| XBD3.4/10-75W | 3 | 1361 | 846 | 337 | 260 | 128 | 165 | 690 | 1046 | 545 | 478 | 410 | 475 | Y132M-4 | 7.5 | 291 |
| XBD4.6/10-75W | 4 | 1526 | 926 | 417 | 340 | 171 | 180 | 830 | 1284 | 545 | 520 | 475 | 475 | Y160M-4 | 11 | 367 |
| XBD5.5/10-75W | 5 | 1606 | 1006 | 497 | 420 | 211 | 180 | 830 | 1284 | 545 | 520 | 475 | 475 | Y160M-4 | 11 | 399 |
| XBD6.9/10-75W | 6 | 1731 | 1086 | 577 | 500 | 245 | 200 | 980 | 1488 | 545 | 520 | 475 | 475 | Y160L-4 | 15 | 451 |
| XBD8.1/10-75W | 7 | 1811 | 1166 | 657 | 580 | 245 | 200 | 980 | 1488 | 545 | 520 | 475 | 475 | Y160L-4 | 15 | 483 |
| XBD9.2/10-75W | 8 | 1916 | 1246 | 737 | 660 | 239 | 200 | 1150 | 1653 | 560 | 560 | 480 | 480 | Y180M-4 | 18.5 | 552 |
| XBD10.3/10-75W | 9 | 1996 | 1326 | 817 | 740 | 239 | 200 | 1150 | 1653 | 560 | 560 | 480 | 480 | Y180M-4 | 18.5 | 584 |
XBD2.9~13.0/20-100W型消防泵外形及安装尺寸

| 泵型号 | 级数 n | 外形安装尺寸 | 电动机 | 重量 Kg | ||||||||||||
| L | L1 | L3 | L5 | L6 | L7 | L8 | L9 | H | H3 | B1 | B2 | 型号 | KW | |||
| XBD2.9/20-100W | 2 | 1575 | 975 | 255 | 200 | 100 | 180 | 900 | 1322 | 610 | 535 | 505 | 505 | Y160M-4 | 11 | 478 |
| XBD4.3/20-100W | 3 | 1720 | 1075 | 355 | 300 | 149 | 200 | 900 | 1322 | 610 | 535 | 505 | 505 | Y160L-4 | 15 | 550 |
| XBD5.8/20-100W | 4 | 1885 | 1175 | 455 | 400 | 200 | 215 | 975 | 1463 | 610 | 560 | 505 | 525 | Y180L-4 | 22 | 647 |
| XBD7.2/20-100W | 5 | 2050 | 1275 | 555 | 500 | 202 | 230 | 1240 | 1701 | 620 | 595 | 525 | 525 | Y200L-4 | 30 | 778 |
| XBD8.6/20-100W | 6 | 2150 | 1375 | 655 | 600 | 157 | 230 | 1240 | 1701 | 620 | 595 | 525 | 525 | Y200L-4 | 30 | 829 |
| XBD10.1/20-100W | 7 | 2295 | 1475 | 755 | 700 | 198 | 230 | 1330 | 1832 | 630 | 635 | 565 | 565 | Y225S-4 | 37 | 894 |
| XBD11.5/20-100W | 8 | 2420 | 1575 | 855 | 800 | 199 | 235 | 1450 | 1959 | 640 | 645 | 565 | 565 | Y225M-4 | 45 | 945 |
| XBD13.0/20-100W | 9 | 2520 | 1675 | 955 | 900 | 199 | 235 | 1550 | 2059 | 640 | 645 | 565 | 565 | Y225M-4 | 45 | 996 |
XBD4.2~18.9/25-125W型消防泵外形及安装尺寸

| 泵型号 | 级数 n | 外形安装尺寸 | 电动机 | 重量 Kg | ||||||||||||
| L | L1 | L3 | L5 | L6 | L7 | L8 | L9 | H | H3 | B1 | B2 | 型号 | KW | |||
| XBD4.2/25-125W | 2 | 1827 | 1117 | 325 | 225 | 109 | 220 | 975 | 1387 | 700 | 600 | 495 | 565 | Y180L-4 | 22 | 665 |
| XBD6.3/25-125W | 3 | 2017 | 1242 | 450 | 350 | 176 | 230 | 1060 | 1549 | 700 | 625 | 565 | 565 | Y200L-4 | 30 | 825 |
| XBD8.4/25-125W | 4 | 2212 | 1367 | 575 | 475 | 225 | 240 | 1170 | 1728 | 710 | 665 | 565 | 565 | Y225M-4 | 45 | 925 |
| XBD10.5/25-125W | 5 | 2422 | 1492 | 700 | 600 | 299 | 270 | 1270 | 1924 | 725 | 700 | 620 | 620 | Y250M-4 | 55 | 1046 |
| XBD12.6/25-125W | 6 | 2617 | 1617 | 825 | 725 | 262 | 305 | 1430 | 2243 | 755 | 765 | 675 | 570 | Y280S-4 | 75 | 1400 |
| XBD14.7/25-125W | 7 | 2742 | 1742 | 950 | 850 | 422 | 305 | 1430 | 2243 | 755 | 765 | 675 | 570 | Y280S-4 | 75 | 1485 |
| XBD16.8/25-125W | 8 | 1917 | 1867 | 1075 | 975 | 483 | 330 | 1580 | 2544 | 755 | 765 | 675 | 570 | Y280M-4 | 90 | 1755 |
| XBD18.9/25-125W | 9 | 3042 | 1992 | 1200 | 1100 | 548 | 330 | 1580 | 2544 | 755 | 765 | 675 | 570 | Y280M-4 | 90 | 1760 |
XBD5.8~21.6/45-150W型消防泵外形及安装尺寸

| 泵型号 | 级数 n | 外形安装尺寸 | 电动机 | 重量 Kg | ||||||||||||
| L | L1 | L3 | L5 | L6 | L7 | L8 | L9 | H | H3 | B1 | B2 | 型号 | KW | |||
| XBD5.8/45-150W | 2 | 4964 | 1119 | 315 | 237 | 148 | 240 | 1000 | 1437 | 720 | 675 | 575 | 605 | Y225M-4 | 45 | 860 |
| XBD8.7/45-150W | 3 | 2234 | 1234 | 430 | 352 | 148 | 305 | 1165 | 1735 | 735 | 745 | 675 | 610 | Y280S-4 | 75 | 1166 |
| XBD11.6/45-150W | 4 | 2399 | 1349 | 545 | 467 | 195 | 330 | 1260 | 1922 | 745 | 755 | 675 | 610 | Y280M-4 | 90 | 1353 |
| XBD14.5/45-150W | 5 | 2664 | 1464 | 660 | 582 | 169 | 330 | 1470 | 2129 | 780 | 885 | 765 | 620 | Y315S-4 | 110 | 1768 |
| XBD17.4/45-150W | 6 | - | 1579 | 775 | 697 | 130 | - | 550 | 810 | 725 | - | - | - | JS-115-4 | 135 | 1869 |
| XBD20.3/45-150W | 7 | - | 1694 | 890 | 812 | 150 | - | 625 | 925 | 725 | - | - | - | JS-116-4 | 155 | 2021 |
| XBD23.2/45-150W | 8 | - | 1809 | 1005 | 927 | 150 | - | 740 | 1040 | 725 | - | - | - | JS-117-4 | 180 | 2173 |
| XBD26.1/45-150W | 9 | - | 1924 | 1120 | 1042 | 150 | - | 855 | 1155 | 725 | - | - | - | JS-117-4 | 180 | 2255 |
订购注意事项:
XBD-W型卧式多级消防离心泵产品电子样本所涵盖的参数表、性能表、尺寸表、图片、文字描述及产品结构等信息,仅为离心泵生产厂家上海丰企XBD-W型卧式多级消防离心泵说明书的一部分,供选型参考之用,详细水泵产品使用说明书、CAD图纸、安装尺寸图、水泵重量及详细的工作原理、价格等请来电咨询。